Nakládání s nebezpečným odpadem v nemocnicích Pardubického kraje

Klient

Nemocnice Parubického kraje a.s.

Rok realizace

2018

Místo realizace

Pardubice

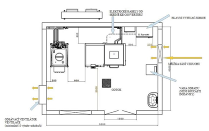
Studie proveditelnosti obsahovala návrh řešení při nakládání s nebezpečným odpadem všech 5 nemocnic Pardubického kraje. Byly posuzované hlavní aspekty dvou modelových variant, přičemž varianta 1 zahrnovala prostou výměnu technologie existující spalovny. Varianta 2 představovala zcela zásadní změnu v systému likvidace odpadů používaného v současné době – přechod na úpravu odpadů produkovaných ve všech nemocnicích pardubického kraje v konvertorech. Výstupy ze studie byly využity pro strategická rozhodnutí v navazujících fázích projektu.

S výběrem vhodného řešení vám pomůže
Ing. Jan Hanus
Kontakt

Kliknutím na “Přijmout vše” souhlasíte s ukládáním cookies na vašem zařízení. To nám pomáhá s vylepšováním webu a analýzou jeho používání. Přečtěte si Zásady ochrany osobních údajů pro více informací.

Preference